目次へ  /  次へ

1章 基礎知識

1.1 計測制御の知識
 

今日においては、日常生活のさまざまなところで、コンピュータによる制御システムが稼動しています。毎日の通勤、通学で通る駅の自動改札や銀行のATM、ビルのエレベータなど、私達の生活を便利にしてくれる機能は全てコンピュータによる制御システムによって実現されているのです。ここでは、KARACRIXでこのような様々な制御システムを実現するための基本的な知識にふれておきます。

●制御とは

制御とは、「目標に向かって必要な操作を加えてゆくこと」と定義されています。この目標とは、例えば「指定された階でエレベータを止める」ことだったり、「洗濯が終ったら、次はすすぎをする」ことであったりとシステムによってさまざまなケースがあるでしょう。そして、ある時点の目標に対して必要な操作を行うことにより、目標値に適合するよう機器をコントロールすること、といえます。
現在よく使われる制御の方法は、大きく分けて次の2つに分類できます。
・シーケンス制御(順序制御)
・フィードバック制御(目標値制御)
シーケンス制御は、決められた手順に従って次々と制御を進めてゆくやりかたで、順序制御とも言われています。
洗濯機を例に取れば、
1) 水を適量までいれる
2) 洗濯をする
3) すすぎをする
4) 脱水をする
というように、ある作業が終了したら次の作業を行うように、決められた手順を正確に実行する方法です。また、フィードバック制御は目標値制御ともいわれており、ある目標値を達成するために制御量をコントロールするやりかたです。
さきほど述べた洗濯機を例に取れば、
1) 水を適量までいれる
この手順の作業の詳細は、フィードバック制御で実現されています。これは、「水が適量になった」という目標値を達成するために給水を続けるかどうかを判断して目標を達成したら給水を終了するという制御を行っているのです。
以上のことからわかるように、シーケンス制御とフィードバック制御は一つの制御システムのなかで組み合わされて使用されている場合が多く、この2つの制御を組み合わせることで、ほとんどすべての制御システムを組むことが可能となります。


    図1.1 シーケンス制御とフィードバック制御

計測とは

計測とは、「事象を量的にとらえてその値を使用すること」だといえます。事象を量的にとらえるための装置をセンサと呼んでいます。センサは、物理量(熱、力、仕事など)や化学量(濃度など)などをコンピュータで処理しやすい電気信号(電圧、電流、抵抗など)に変換します。


    図1.2 物理量を電気信号へ

センサが出力する信号には、時間の経過に伴って連続的に変化するアナログ(連続値)形式のものと、設定値を越えるとON/OFF(入/切)の2つの状態変化を検出するバイナリ(2値)形式のものがあります。


    図1.3 アナログとバイナリ

現代において計測とは、センサからの電気信号をコンピュータに取り込んで処理することが一般的になっています。また、計測したデータ自体に意味がある場合もありますが、制御システムを構成する一機能として計測をとらえることも多くなっています。

●計測制御システムとは

実際には、計測と制御は一体となってシステムを構成することになりますので計測制御システムというのが正確な表現だと思います。
計測制御システムをパソコンで構築するためには、
1) 計測値をデジタル値としてパソコンに取り込む仕組み
2) パソコンで処理した制御情報を制御対象に反映する仕組み
が必要となります。これを実現するための機能を持っているものが、次項で述べるセンサ、アクチュエータです。


    図1.4 計測制御システム図

 


1.2 センサ、アクチュエータの知識
 

●センサとは

センサには、大きく分けて3つのタイプが使われています。
1) ON/OFF または Hi/Low の2値で出力するタイプ (2値(バイナリ)タイプ)
2) 検出値を連続的に変化する電気信号で出力するタイプ (連続値(アナログ)タイプ)
3) 映像を出力するタイプ (イメージ値タイプ)

1) 2値タイプ(バイナリタイプ)

2値タイプは、物体の有無をスイッチの ON/OFFや Hi/Low(TTLレベル等)の電圧、電流として出力するものや、計測量がある設定値を越えるとスイッチのON/OFFとして出力するものなどがあります。


    写真1.1 2値出力タイプセンサ([左、中]リミットスイッチ、[右]リードスイッチ)

2) 連続値タイプ(アナログタイプ)

連続値タイプは、温度、湿度などのアナログ情報を電気信号に変換して出力するものです。
一般に連続値タイプのセンサから出力される電気信号は微小なため、扱いやすい大きさにするために増幅器を最初から組み込んだセンサユニットとして市販されている場合がほとんどです。これらのセンサユニットは、出力として -1V〜1V,0〜1V,0〜5V,0〜10Vなどの電圧出力をするものが代表的なもののようです。


    写真1.2 連続値タイプ([左]サーミスタ温度センサ、[中]湿度センサ、[右]IC温度センサ)

3) イメージ値タイプ

画像イメージをコンピュータにデータとして取り込んで処理するイメージセンサとしてCCDカメラなどが広く使用されています。CCDカメラの出力信号はNTSCやPAL方式などのアナログビデオ信号が主流ですが最近ではデジタル信号出力をもつカメラも作られています。PCなどに取り込むためには、通常ビデオキャプチャボードなどのインターフェイスが必要になります。


    写真1.3 CCDカメラ

 

●アクチュエータとは

アクチュエータは、操作信号を受けて物理動作(回転運動、直線運動、音響出力など)に変換するものです。


    図1.8 制御信号の流れ

この操作信号には、12V、24V等の直流または交流電圧出力やリレー接点出力がよく使われています。アクチュエータとして実際によく使われるものに、モーター(ロボットアーム、ポンプ、ファン等)、ソレノイド(電磁バルブ、電磁リレー等)、警報器(ベル、ランプ等)があります。


    写真1.4 各種アクチュエータ([左]DCモータ、[中]ソレノイド、[右]ブザー)

これらのアクチュエータを動作させるための電力制御回路として簡単なものに、DIYセンターで購入可能な市販のリモコンリレー(デルカテック社製 PA-101B [100V/600W] )[写真1.5] を使うか、腕に自信のある方は図1.9 のようなパワーリレードライブ回路を自作し使用します。

      
図1.9 自作パワーリレードライブ回路 


写真 1.5 市販100Vリモコンリレー


1.3 センサ、アクチュエータ・インターフェイスをパソコンに接続する
 

センサ、アクチュエータ・インターフェイスをパソコンと接続するには現在以下の方法があります。

1)パソコンの拡張スロットに市販のA-D変換ボードやパラレル入出力ボードを追加して接続する。

この方法は、ハードウェアのセッティングの知識が必要です。また、プログラムの作成もデバイスドライバを扱うことになりますので、かなりの専門知識が必要です。一方、非常に高速で柔軟な使い方が出来ます。主に工業用途に使われるようです。



    図1.10 ボード方式
2)センサのアナログやデジタル入出力信号をリモートIO装置を使用してイーサネット、RS232C、USBなどでパソコンと接続する。

この方法は、上記1)の様なより高速な計測制御には向きませんが、汎用的であり、またLAN等を経由させる事により、広範囲なものを対象とする場合に便利です。


    図1.11 リモートIO装置方式

本マニュアルでの計測制御には、2)の方式に対応する弊社のリモートIO装置(KCXH-IOB30RTA) を使用して具体的に解説します。本マニュアルでは、通信機能を持ったリモートIO装置を総称して計測制御ユニットと呼ぶことにします。
 


1.4 計測制御ユニットにセンサ、アクチュエータを接続(実体配線)する
 

本節ではセンサやアクチュエータを、計測制御ユニットに接続する場合の具体的な接続方法を解説します。弊社製品のKCXH-IOB30RTAを例に、一般的に良く使われているセンサ、アクチュエータのいくつかを取り上げますので参考にして下さい。
接点入力、リレー出力、アナログ入力のそれぞれ1つあるいは2つを、計測制御ユニットのチャネル1あるいはチャネル2へつなげています。接続例では、弊社にて扱っている専用端子台を使用しました。
説明では、装置端子は信号名で表します。装置側内部の回路は表記しませんので、弊社HPのダウンロードページより取得できる「アナログ・ディジタルI/O装置 KCXH-IOB30RTA取扱説明書」の内部回路図を参考にして下さい。
接点回路、リレー回路には、非絶縁タイプと絶縁タイプがありますが、これは装置外部の電気ノイズが装置内部に入らないようにするかどうかの回路選択で、絶縁タイプの場合、ノイズによる誤動作に強くなる一方で電源を外部に用意する手間とコストが余分にかかります。工業用途では良く使われています。

●KCXH-IOB30RTA入出力コネクタ配置
 
機能
信号名
端子番号
信号名
機能
フォトMOSリレー出力4 DOUT4
1
14
DOUT4 フォトMOSリレー出力4
フォトMOSリレー出力3 DOUT3
2
15
DOUT3 フォトMOSリレー出力3
フォトMOSリレー出力2 DOUT2
3
16
DOUT2 フォトMOSリレー出力2
フォトMOSリレー出力1 DOUT1
4
17
DOUT1 フォトMOSリレー出力1
接点入力4 DIN4
5
18
D-GND ディジタルグランド
接点入力3 DIN3
6
19
+Vdd 供給電源(直通)出力
接点入力2 DIN2
7
20
DIN-COM  接点入力コモン
接点入力1 DIN1
8
21
AIN8 アナログ入力8
アナログ入力4 AIN4
9
22
AIN7 アナログ入力7
アナログ入力3 AIN3
10
23
AIN6 アナログ入力6
アナログ入力2 AIN2
11
24
AIN5 アナログ入力5
アナログ入力1 AIN1
12
25
A-GND アナロググランド
アナログ回路定電圧出力 +5V
13
     


図1.13 KCXH-IOB30RTA入出力コネクタピン配置(Dsub25ピン)
 



 


写真1.8 KCXH-IOB30RTA-CN
(KCXH-IOB30RTA本体に接続される端子台とフラットケーブル)

写真1.8 は、KCXH-IOB30RTA本体に接続する25極のDsubコネクタ端子台とフラットケーブルです。また、図1.14 はこの端子台を図化したもので以降の説明に使用して行きます。


    図1.14 専用端子台配置図

 



 

以下に、入出力端子台への配線の仕方について一覧にしてあります。
 

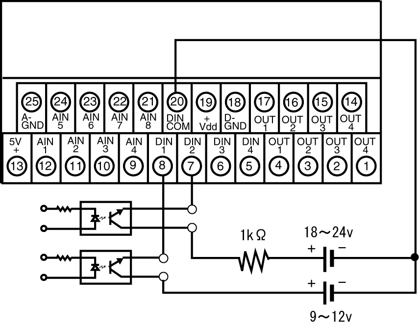
A.接点入力(スイッチ、フォトカプラトランジスタ等)

<一般用途>
 
配線図
回路図
非絶縁型
 

 

※DIN-COMとD-GNDの結線は内部電源使用を意味します

1.装置内のデジタル入力回路に、外部取り付けスイッチより電流をDIN端子に流し込む格好にすると接点のON/OFFが検出できるようになります。
2..流し込む電流の極性を間違わないようにしてください。DIN端子側がプラス側になります。
3.スイッチ4つまで同じような回路で拡張できます。

 
<主に工業用途>
 
配線図
回路図
絶縁型(単電源)
 

 

絶縁型(複電源)
 

絶縁型(フォトカプラ入力)
 

 

1.計測装置内のデジタル入力回路部のフォトカプラダイオードはカソード(K)コモンになっていますので結線の向きにご注意下さい。

  B.リレー出力(電球、ブザー、ソレノイド等)

<一般用途>
 
配線図
回路図
非絶縁型
 

 

※アクチュエータ:分類表1参照

1.上図電気負荷は、12V/120mA以内でお使いください。
2.分類表1の@LEDの抵抗Rは、1K〜10KΩの範囲で光度を見ながら調節してください。
3.分類表1のAパワーリレー(12Vコイル)のほとんどに使えますが、コイル電流が大きい場合に内部フォトMOSリレー保護のため、コイルサージ吸収用の外付けダイオードが必須となります。
4.分類表1のBソレノイドの使用には、内部フォトMOSリレー保護のための外付けコイルサージ回路が必要となりますので、ソレノイドメーカにその定数をご相談のうえご使用ください。
5.分類表1のCDEの負荷に電気的スパークが発生しそうな場合、これを60V以下に収まるような対策を講じてご使用ください。
6.分類表1のFGは電子知識がある方のみご使用ください。

 
<主に工業用途>
 
配線図
回路図
絶縁型

※アクチュエータ:分類表1参照

1.外部電源には、DC、ACともに(24Vまで推奨)使えます。内部フォトMOSリレー阻止電圧は60Vですので使用にご注意ください。
2.分類表1の見方は、外部電源の種類別に使用可不可を電気的に判断しご使用ください。
 

<家庭用途>
 
配線図
回路図
リモコンリレー(絶縁型)

 

 

 

1.上記リモコンリレー(定格100V/600W)は、1章の写真1.5で紹介しています。
2.100Vの各種機器が使えるようになります。以下に例を上げてみます。
  1.クリスマスツリー
  2.照明器具
  3.モーター
  4.換気扇
  5.ポンプ
  6.コンロ
  7.扇風機
  8.ラジオ
  9.室内スイッチ
  10.ファン
  11.その他各種100V装置
 

C.アナログ入力(各種センサ等)
 
 
配線図
回路図
各種センサ
 

※アクチュエータ:分類表2参照

1.各種センサの出力が±2.5V以内になるようにご使用ください。
2..電流型センサへの信号線は十分長く伸ばせますが、電圧型の場合は配線抵抗の影響があります。
3.センサには固体差がありますので、特性を観測し計測データを校正する必要があります。
 
 
 
 
配線図
回路図
電圧入力

※アクチュエータ:分類表3参照

1.AIN端子には、±2.5V以内になるような電圧を与えてください。(±5V以上は厳禁です。)
 
 
 
 
配線図
回路図
スイッチ入力
 

(スイッチOFF→0V、ON→1.5〜2.1V)

1.アナログ入力で、スイッチの状態を検出する例を示します。 (スイッチを通して電圧を検出させる応用)

 

 

分類表1(各種アクチュエータ)
 
1) LED 2) パワーリレー 3) ソレノイド 4) ブザー
 

 

 

 

※a-b間にはCRが必要です

 

5) 豆電球 6) ドアチャイム 7) フォトカプラ 8) トランジスタ
 

 

 

 

 

 

 

分類表2(各種センサ)
 
温度(LM35D) 温度(AD592) 湿度(CHS-UGS) 光(Cds)
電圧型温度センサ

電流型温度センサ

※電流型センサは、計測ポイントまでの配線を長くできますが、高精度の抵抗で電圧変換を行う必要があります。

電圧型湿度センサ

電圧型センサ

 

※Cdsの抵抗変化を電圧の変化として検出します。

分類表3(電圧入力)
 
固定電圧 (±2.5V以内) 抵抗分割降圧(±2.5V以上) 電流-電圧(絶縁変換器を使用)
 

 

 


 


1.5 パソコンをインターネットからアクセスできるように接続する
 

ブロードバンドの普及により最近では、インターネットの常時接続環境を容易に構築することが可能になりました。従来のローカルエリアで運用していた計測制御システムに加えインターネット等を経由して遠隔よりアクセスすることが出来ます。

パソコンをインターネットに接続するには現在以下の代表的方法があります。
 

  1. 一般電話回線に、ADSLモデムとルータを取り付けLAN接続する

  2.  

     


    図1.15 ADSL接続図
     

  3. ISDN回線に、TAを取り付けシリアル接続またはLAN接続する

  4.  

     


    図1.16 ISDN接続図
     

  5. DoPa無線(経由インターネット)回線に、DoPa無線端末を取り付けシリアル接続する。

    図1.17 DoPa接続図
     


●KARACRIX接続例紹介

本マニュアル後編のアプリケーションでは、ADSLを利用したブロードバンドの一例としてフレッツ・ADSLやフレッツ・ISDNを使用してグローバルからアクセスできる公開リモート計測監視サーバを構築して解説しています。その構成をここで簡単に紹介しておきましょう。

機器構成例


    図1.18 システム構成図


    写真1.9 ADSLモデム(下)とブロードバンドルータ(上)

フレッツ・ADSL、フレッツ・ISDNの契約はNTTや対応するプロバイダに申請する必要があります。グローバルに公開するするためには、基本的に固定IPアドレスを取得できるISPと契約する必要がありますが、固定IPアドレスの取得できる個数、料金も、ISPによって変ってきます。また、ダイナミックDNSという手法を使用すれば固定IPアドレスを取得できなくてもドメイン名を使用して公開サーバを構築できます。ここでは、固定IPアドレスが1個使用できる契約のケースで解説します。
 


□公開サーバを構築するためのルータの設定

固定グローバルIPアドレスを1つ取得できた場合、取得したIPアドレスは、ADSLモデム+ブロードバンドルータまたは、ダイアルアップルータのIPアドレスに振られるようになります。
このルータのHUBなどに接続されたPC等には、ルータのNAT(IPマスカレード)機能を使用してグローバルIPをローカルIPに変換する設定を行い使用することになります。
これで、計測監視サーバとしてアクセスしたいKARACRIXソフトが稼動しているPCサーバには、バーチャルホスト(ルータメーカにより呼び名が異なる場合有り)としての設定をルータに対し行なうことにより外部からのアクセスが可能になります。
図1.19は、A社のブロードバンドルーターの仮想サーバー設定画面の例です。グローバルIPアドレスから、例えば80番、8080番、2000番のポートにアクセスがあった場合に、ローカルIPアドレスの任意のホスト(PCサーバ)上のポートにアクセスをつなぎ替える設定です。


    図1.19 仮想サーバー(ルータ)設定


    図1.20 アドレス設定

また、KARACRIXは外部からアクセスが可能になりますので、セキュリティには注意が必要になります。
ここでは、ルータのIPフィルタ機能とNAT機能併用を使用して、簡易ファイアフォールを構成します。ルータのIPフィルタ機能は、外部からアクセスしてくるIPアドレス、ポートに制限をかける機能です。また、NAT機能は、グローバルIPアドレスでアクセスしてきたパケットをローカルアドレスに変換することにより直接ローカルホストにアクセスできないようにする機能です。詳しくは、ご使用しているルータの技術資料を参照して下さい。IPアドレスの設定例を図1.20に示します。        
 



 
1.6 Web、E-Mail、i-MODE からの監視制御
 

前節では、ブロードバンド等を使用してインターネット常時接続環境を利用した、公開計測制御サーバのシステム構成をハードを中心にして解説しました。本節では、公開サーバを構成する場合のソフト面を解説します。

インターネット経由でアクセスを提供するためにはWebサーバ、メールサーバを使用するのが一般的で、これらを用意する必要があります。

1) Webサーバ

    Apacheが有名ですが、CGI等を実行できる機能が必須になります。


    図1.21 Webサーバー基本構成図

2) E-Mailサーバ メール転送サーバとしてsendmail等が必要ですが、プロバイダのメールアカウントを利用すれば自前でメール転送サーバを構築する必要はありません。また、メールを取得するためにPOP(3)サーバのQpopper等が必要になります。


    図1.22 MAILサーバ基本構成図


●KARACRIXを使用したWeb、Emailリモート計測制御システム内部紹介
 

KARACRIXは、センサ、アクチュエータへの入出力をユーザーアプリケーションからのリクエストに対してサービスとして提供するソフトですが、Webサーバ、E-Mailサーバなどと連携して動作させることによりWebブラウザ、Mailクライアントを使用して監視計測制御機能を提供することができます。
図1.23は、KARACRIXサーバ上の計測制御デーモンプログラムとWebサーバ(Apache)と連携した場合の処理フローです。デーモンプログラムとは、常駐型でサービスを提供するプログラムのことです。WebサーバのCGI機能を使用してKARACRIXサーバにリクエストを送信して各種計測データをWebブラウザに表示したり、Webブラウザから、HTMLのFORM機能を使用してCGIを起動させ、各種アクチュエータに動作信号を送ることができます。


    図1.23 Webブラウザからの監視制御の処理フロー図

同様に、図1.24では、E-Mailサーバと連携した場合の処理フローです。Mailクライアントから、Mailサーバにデータ取得や動作リクエストをメールに記述して送信することにより、KARACRIXサーバがPOPクライアントとして動作してメールリクエストを取得して、返信メールとして各種計測データを取得したり、アクチュエータへの動作リクエストを解釈して実行します。Mailサーバは、プロバイダのMailサーバを利用できる場合、自分でMailサーバを構築する必要はありません。


    図1.24 E-Mailからの監視制御の処理フロー図

図1.25は、Webブラウザで計測データを表示した例です。


     図1.25 Webブラウザでの計測データ表示

KARACRIX では、i-MODEにも標準で対応していますので、Webブラウザ、E-Mailクライアントで行えることを携帯電話からも行うことが可能になっています。


     写真1.10 i-MODEでの計測データグラフ表示

 


目次へ  /  次へ

Copyright(C) All Rights Reserved. by S.I.Soubou,Inc.